
Galvanized lock washer with 2 tabs for securing nuts and bolts.
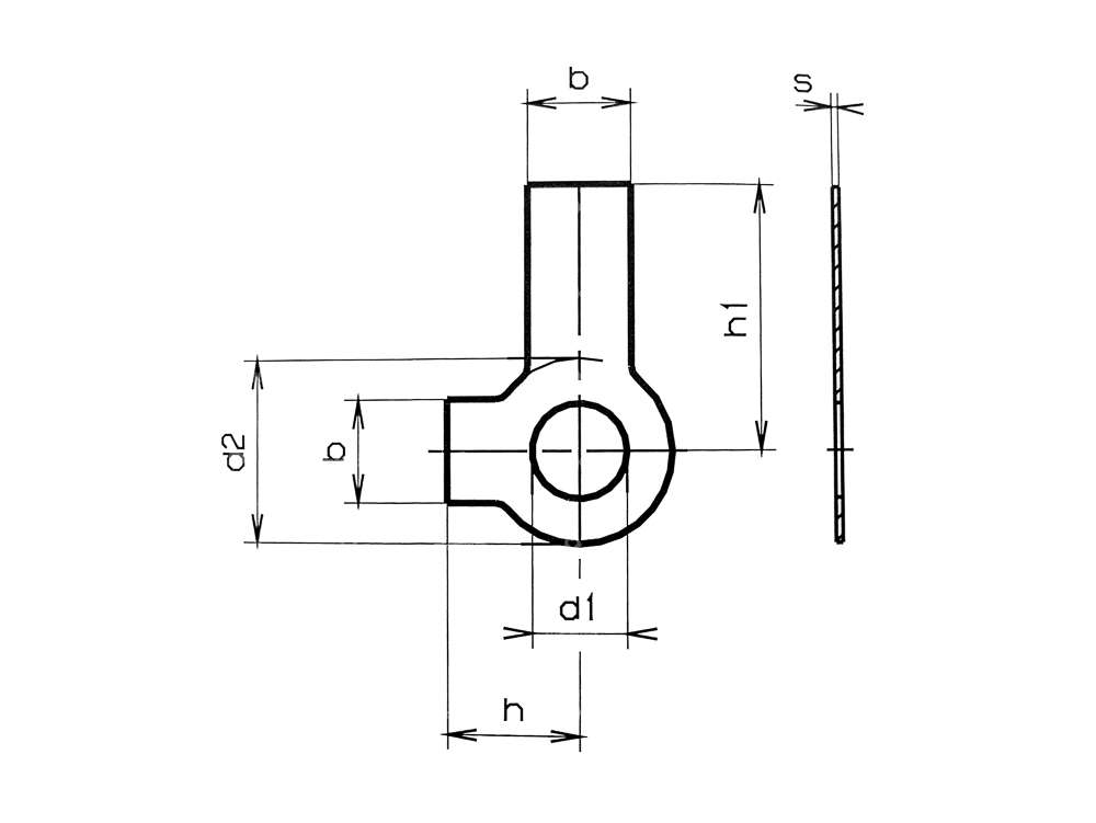
Take the following measurements from figure 2:
| Thickness | 0.5 mm |
| Material | Steel |
| Surface | galvanized (blue) |
| Ø inside | 5.3 mm |
| Number of lobes | 2 pcs |
| Ø outside | 10 mm |
| Width | 6 mm |
| Total length | 8 mm |
| Length 2 | 16 mm |
| Width 2 | 6 mm |
| Thread size | M5 |
Explore categories from Screws & fastener sets
Moped fans also bought

